變電站、發電廠等的直流屏系統回路較為雜亂、所接設備也較多,因此在長期運轉中會由于氣候變化、環境改變、設備自身問題、電纜和接頭老化等因素,不可防止地形成直流屏系統接地,乃至帶來重大損失。本文對統部直流屏正極接地故障問題進行分析,找出原因,并供給了一個有效的防止方法,關于根絕直流屏正極或負極接地具有活躍的借鑒意義。
當直流屏電源系統中負極或正極對”地”絕緣電阻值低于某一規定值,或降低至某一整定值時,稱這個直流系統中有負極接地故障問題或正極接地故障問題。直流電源的正極接地會使維護自動裝置發生誤動的可能。通常一般的繼電器和跳合閘線圈與電源的負極相連接,如果這些回路發生再次直流接地的狀況,就有發生誤動的可能。所以當發生接地時,及時采用良好的儀器和精確的判定方法查出并消除故障問題,對電網的安全安穩運轉具有十分重要的意義。
直流屏接地的意義、發生與損害
1直流系統接地意義
當直流系統的正極或負極與大地之間的絕緣水平降到某一整定值或低于某一規定值時,稱為直流系統接地;當正極絕緣水平低于某一規定值時稱為正接地;當負極絕緣水平低于某一規定值時稱為負接地。
2正極接地損害
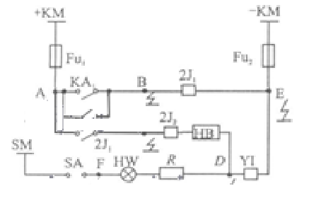
如圖1所示,當圖中的A點和B點一起接地,相當于A、B兩點經過大地相連接起來,中心繼電器2J1動作生成斷路器的跳閘。同理,當圖中的A點和C點一起接地,或圖中的A點、D點一起接地均可能生成斷路器的跳閘。

圖1
3排查辦法
當無法精確判別故障問題回路時,一般選用的辦法稱為”拉路法”。直流接地回路一旦從直流系統中脫離運轉,直流母線的正負極對地電壓就會出現平衡。所以人們一般將直流接地回路瞬間停電,確認直流接地點是否發生在該回路。
直流系統是個不間斷電源,基于其特殊性,人們不能隨意停電。近年來隨計算機的很多使用,微機維護同樣也不允許人們隨意斷開直流電源?,F場排除故障問題時,經常發生非正常的閉環回路,選用雙電源供電回路,以及變電站在現場施工、擴建、修試過程中遺留了直流負載的信號回路、操控回路和維護回路之間沒有區分等,使直流接地故障問題查找難度增加。”拉路法”往往造成了操控回路或維護回路跳閘等事故。
因此,在新型直流屏中,各直流回路分類明晰,由專用斷路器操控投退,能夠經過操作操控開關或保險來進行”拉路”查看;當面對許多直流回路穿插嚴峻,無清晰操控開關的舊直流系統時,一般經過翻開某直流回路特定電纜接頭的”打頭法”進行分段排查。”打頭法”實際上是拉路法的一種延伸應用。
直流屏直流正極接地故障問題事例
某變電站共2臺直流屏,選用的是1+1冗余系統,輸出并聯帶所有負載。2018年12月,1#直流屏發生正極接地故障問題。經分析判別、排查處理,1#直流屏的一個單相橋式整流器2#管腳接地。將金屬底座的單相橋式整流器更換為絕緣底座型的,可根絕此處管腳接地,有效防止該處直流接地故障問題。
1直流屏1+1冗余系統作業原理
(1)給直流屏輸入一個三相交流電,經過整流變成直流電,做為電源輸出給直流負載。
(2)直流屏1+1冗余系統,是將兩臺直流屏輸出經過母聯開關連接起來一起帶負載。當一臺直流屏需求檢修時,能夠由另一臺帶所有負載,圖示如下:
2直流接地問題
(1)直流正極接地,直流屏觸摸屏報正對地絕緣不良、合母電壓反常。測正對地0VDC,負對地220VDC,此時正對地就是正極對負極電壓;反之,假如直流負極接地,則正對地220VDC,負對地0VDC。
(2)直流正接地故障問題原因。1)第一種原因是電源輸出端之內的正極呈現了對地絕緣為零,導致正極直接接地,正對地電壓為0V。2)第二種原因是直流屏的負載,包含高壓柜內的直流母線、低壓柜內的直流母線、其他雜項柜內需求直流電源的部分。如恣意一臺高壓柜內的直流正極產生接地,就會產生直流屏正極接地報警。
(3)單相橋式整流器。由多只整流二極管做橋式銜接,外用絕緣塑料封裝而成,大功率的橋式整流器在絕緣外層增加金屬殼包封,增強散熱。是交流電轉換成直流電的的第一個過程。此回路單相橋式整流器為雙回路冗余運轉。
(4)直流接地的危害。當直流中一極接地時,假如再產生另一極接地,將形成直流正負極短路,開關跳閘,負載失掉維護,帶有直流失壓脫扣的高壓電機立即跳閘,設備停工。
(5)確認直流正極接地故障問題點的方法:
1)斷開直流輸出母聯開關,將直流屏(1+1冗余)系統分為兩個獨自個體,確認故障問題直流屏。
2)斷開單臺直流屏輸出開關,確認故障問題點是在輸出開關之內仍是之外。
3)如故障問題在外部負載,則逐一斷開負載直流電源開關,以此排查接地點;假如故障問題點在直流屏內部,則按內部接線逐一排查。
故障問題處理
(1)某變電站的直流屏(1+1)冗余系統,巡檢發現1#直流屏發出報警,記錄顯現正對地絕緣不良,測1#直流屏正對地+4.58V,負對地-216V,判別為正極接地故障問題。
(2)將1#和2#直流屏控制母聯拉開,觀察接地電壓狀況,2#直流屏對地電壓正常,1#直流屏電壓正對地+4.58V,負對地-216V,判別故障問題在1#直流屏。
(3)甩開1#直流屏負載使之空載運轉,2#帶悉數負載。測1#直流屏電壓正對地+4.58V,負對地-216V;判別故障問題在1#直流屏內部回路。
(4)進一步檢查1#直流屏回路。只投入第一組充電機回路,丈量正負母線對地電壓正常;只投入第二組充電機回路,丈量電壓正對地+4.58V,負對地-216V;故此判別故障問題點在1#直流屏第二組充電機回路。
(5)將1#直流屏第二組電池組穩妥和正負極引線拆除,丈量電池組正負極對地電壓,均測不到電壓(電池組正負極處于懸空狀態,無電壓歸于正常),說明電池組正常;沒有接地現象。
(6)對1#直流屏停電部分使用電阻法進行排查故障問題,在檢查到第二組充電機回路合閘母線降壓硅堆下方時,回路電阻阻值反常約為0.6M歐姆(正常對地阻值約為1.9M歐姆),丈量1#直流屏第一組充電回路和第二組充電回路,比照發現硅堆下方的橋式整流器銜接端子部分壓降不一致,第一組充電機回路壓降末端數值為12V左右,而第二組充電機壓降末端數值為0V;判別故障問題點在硅堆下方和橋式整流器及分壓器三個元件之間。丈量硅堆對地電阻1.9M歐姆正常,丈量分壓器對地電阻2.1M歐姆正常;丈量橋式整流器4個管腳對地電阻,1#、3#、4#為3.3M歐姆正常;2#管腳對地阻值1.6K歐姆反常;通過丈量法、比照法、反向驗證法基本鎖定故障問題點為橋式整流器2#管腳。
直流系統的可靠性是變電站安全運轉的決定性條件,一旦直流系統產生反?;?/span>故障問題,就或許形成維護的拒動和誤動。其中,拒動會使事故范圍擴展,嚴峻的還或許形成電網振蕩或瓦解。因此,正確、迅速地處理好直流接地故障問題十分重要。